雷火在线内蒙高考文综试题搜索2021年内蒙古高考文综试题2021-06-08 20:32:57文/李文源一、选择题:本题共35小题,每小题4分" />
雷火在线> >内蒙高考 >内蒙高考试题 >内蒙文综试题 >

2021年内蒙古高考文综试题

时间: 文综试题

一、选择题:本题共35小题,每小题4分,共140分。在每小题给出的四个选项中,只有-项是符合题目要求的。

2014年我国某科技公司在新疆建立了研发基地,研制适用于大规模棉花生产的无人机。为推广产品,该公司先组建专业服务团队为农民提供无人机服务,后以极低的价格出租无人机,最后才销售无人机,同时对农民进行技术培训。无人机的使用,大幅度减少了人工成本,改变了新疆传统农业生产方式。据此完成1~3题。

1.新疆吸引该科技公司入驻的主要因素是

A.交通

B.政策

C.技术

D.市场

2.该科技公司提供无人机服务、租赁,同时对棉农进行培训,直接目的是

A.增强竞争力

B.培育市场

C.提升服务水平

D.提高效益

3.无人机的使用主要可以帮助棉农提高棉花的

A.产量

B.质量

C.利润

D.价格

陆港是指在海港以外地区建设的、代表海港行使报关,报检等功能的物流中心。按其离海港距离可分为近海陆港(小于100千米)、远海陆港(一般500千米以上)等。

据此完成4~6题。

4.建设陆港使海港

①扩大承载规模     ②缓解用地紧张

③增加用地成本     ④提高设备水平

A.①②

B.①③

C.②④

D.③④

5.与近海陆港相比,远海陆港更能使海港

A.缓解交通拥堵

B.提高通关效率

C.拓展腹地范围

D.减少环境污染

6. 以下产业中,更宜依托远海陆港发展的是

A.服务外包产业

B.高科技产业

C.资源加工产业

D.前瞻性产业

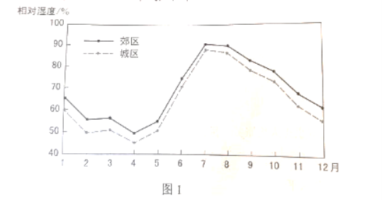
相对湿度是空气中实际水汽压与同温度条件下饱和水汽压的比值,用百分数表示。 图1示意我国某大城市1975~2015年城区和郊区各月平均相对湿度。据此完成7~8题。

7.造成城区与郊区相对湿度差异的主要原因是城区较郊区

A.气温高

B.蒸发(腾)强

C.降水量大

D.绿地面积大

8.该城市可能是

A.乌鲁木齐

B.北京

C.上海

D.广州

苔原带植被多由低矮灌⽊及苔藓地⾐组成,⼤多数灌⽊为极地特有种。苔原带横跨亚欧⼤陆与北美⼤陆,呈东西向延伸,仅存在于北冰洋沿岸陆地及岛屿,宽度较⼩.第四纪冰期,苔原带⼀度扩展⾄我国阿尔泰⼭—阴⼭一线.其后,随着⽓温升⾼,苔原不断向北及⾼海拔退却。据此完成9~11题.

9.受全球⽓候变暖的影响,亚欧⼤陆苔原带将

A.整体向北移动 

B.整体向南移动

C.⾯积扩⼤ 

D.⾯积缩⼩

10.苔原带横跨亚欧⼤陆,表明

A.苔原植被对温度差异不敏感 

B.亚欧⼤陆北部湿度东西向差异⼩

C.苔原植被对湿度差异不敏感 

D.亚欧⼤陆降⽔北部最多

11.祁连⼭地针叶林带以上未发现极地特有种灌⽊,可能是因为祁连⼭地

A.⽬前针叶林带以上⽓温⾼ 

B.⽬前基带⽓温⾼

C.冰期针叶林带以上⽓温⾼ 

D.冰期基带⽓温⾼

12.甲国经济对外贸的依存度⾼,其进出⼝贸易以美元结算。在开放市场条件下,当甲国发⽣通货膨胀时,若不考虑其他因素,甲国货币对美元的汇率会下降。关于这⼀作⽤过程的描述,正确的是

 

 

 

 

A.①③ 

B.①④ 

C.②③ 

D.②④

13.2021年1⽉,中国⼈⺠银⾏会同有关部⻔发布通知明确:2020年6⽉出台的普惠⼩微企业贷款延期还本付息政策延期⾄2021年3⽉31⽇,免收罚息;对于2021年1⽉1⽇⾄3⽉31⽇期间到期的普惠⼩微企业贷款,按市场化原则“应延尽延”,继续实施阶段性延期还本付息。此举

①意在减少⼩微企业偿债本⾦

②有利于维持⼩微企业正常经营

③能够加速⼩微企业资⾦周转

④有助于稳定⼩微企业就业岗位

A.①③ 

B.①④

C.②③

D.②④

 

 

14.图2是我国2016~2020年全国⼀般公共收⼊与⽀出变化⾛势。

图2

附:据政府⼯作报告,2020年我国财政⾚字率为3.6%,2021年拟按3.2%左右安排(⾚字率的国际警戒线为3%).

针对图2反映的问题,积极的应对办法是

①培育新的经济增⻓点,扩⼤税收来源

②加⼤政府债券发⾏规模,弥补收⼊不⾜

③压缩社会保障类开⽀,减少财政⽀出

④优化财政⽀出结构,提⾼资⾦使⽤效率

A.①③ 

B.①④ 

C.②③ 

D.②④

15.经济合作与发展组织数据显⽰:2020年全球外国直接投资(FDI) 总规模为8460 亿美元, ⽐上年下降38%, 但中国FDI逆势增⾄2120亿美元, 增幅为14%, 成为全球最⼤外资流⼊国。2020年中国FDI逆势增⻓, 得益于

①中国有效控制新冠肺炎疫情,经济增⻓率先恢复

②中国进⼀步扩⼤开放,货物进出⼝总额⼤幅增⻓

③中国营商环境不断优化,对外资更具吸引⼒

④中国对外直接投资不断增⼤,投资结构改善

A.①③ 

B.①④ 

C.②③ 

D.②④

16.某中学7名⾼⼀学⽣,上学时感受到交通拥堵,同时发现专⻔设置的公交⻋道利⽤率并不⾼。他们⽤3个⽉的时间详细调査了本市公交专⽤道的整体使⽤情况,撰写出上万字的研究报告,提出了合理使⽤公交专⽤道的建议。该报告得到有关专家认可和⽀持,受到市政府有关部⻔重视。这⼀事例表明

①关注并解决交通拥堵问题是中学⽣的责任

②开展社会调研有助于提⾼中学⽣的公共参与素养

③就解决交通拥堵问题提出建议是中学⽣的权利

④反映公共管理问题时需要提出相应的对策建议

A.①② 

B.①④ 

C.②③ 

D.③④

 

 

17.2021年中央一号文件提出,要继续把公共基础设施建设的重点放在农村,实施农村道路畅通、农村供水保障、乡村清洁能源建设、数字乡村建设发展、村级综合服务设施提升等工程,加快农业农村现代化。加强农村公共基础设施建设是

①巩固脱贫成果、促进共同富裕的内在要求
②推动城市乡村融合发展的有力举措
③优化乡村治理体制机制的具体体现
④提高基层政府工作效率的必要途径
A.①②
B.①③
C.②④
D.③④
18.现行的《宗教事务条例》第58条规定,宗教团体、宗教院校、宗教活动场所应当执行国家统一的财务、资产、会计制度,向所在地的县级以上人民政府宗教事务部门报告财务状况、收支情况和接受、使用捐赠情况,接受其监督管理,并以适当方式向信教公民公布。据此,正确的解读是
①乡级人民政府没有管理宗教事务的职责
②宗教团体需要加强财务活动的规范管理
③宗教事务条例不适用于不信教公民
④宗教团体应当接受国家的监督管理
A.①②
B.①③
C.②④
D.③④
19.著名书画家黄宾虹观察自然深有领悟,以自然之理来诠释笔法。如“平”似风吹水动、一波三折;“圆”如行云流水、宛转自如;“变”像山有起伏显晦、水有缓急动静。在艺术实践中感悟自然,令黄宾虹艺术精进。这表明
①艺术之理与自然之理相契合
②悟出自然之理就能提升人的艺术造诣
③艺术造诣水平取决于主体的感知能力
④效法自然是提升艺术造诣的重要方法
A.①②
B.①④
C.②③
D.③④
20.2020年,电影《夺冠》以1981年到2019年期间中国女排十夺世界冠军为主线,通过艺术形式展现了中国女排祖国至上、团结协作、顽强拼搏、永不言败的精神面貌,给观众带来心灵的震撼和鼓舞,受到普遍好评。从中可获得的启示是

①人民群众满意与否是衡量文艺作品价值的根本尺度
②优秀的文艺作品都是对现实生活的真实再现
③塑造典型艺术形象是艺术创作的根本价值追求
④反映时代精神的文艺作品能够增强)人的精神力量
A.①②
B.①④
C.②③
D.③④

21.王安石在推敲“春凤又绿江南岸”这一诗句过程中,初云“又到江南岸”,圈去 “到”字,注曰“不好”,改为“过”,复圈去而改为“入”,旋改为“满”······凡如是十字许,始定为“绿”。这从一个侧面表明
①真理和谬误往往是相伴而行的
②认识主体的知识和素质影响认识结果
③认识是一个包含曲折性的前进上升过程
④对同一个确定对象不能产生不同的认识
A.①②
B.①④
C.②③
D.③④
22.恩格斯说,没有哪一次巨大的历史灾难,不是以历史的进步为补偿的。**在谈到新冠肺炎疫情和国际环境不稳定性不确定性明显上升对我国经济发展的影响时强调,要坚持用全面、辩证、长远的眼光分析当前经济形势,努力在危机中育新机、于变局中开新局。以上论述蕴含的辩证法道理是
①新事物代替旧事物需要具备一定的条件
②新事物总是在不断克服困难与挫折中发展进步的
③困难越多、挫折越大,越有利于新事物的成长
④新事物与旧事物的界限是由矛盾的同性确定的
A.①②
B.①④
C.②③
D.③④
23.漫画《种瓜得瓜,种豆得豆,种······》(图3)
讽刺了一一些人想问题、做事情

①不敢发挥主观能动性
②否认事物发展的规律性
③不善于具体问题具体分析
④不懂得联系的客观性和条件性
A.①②
B.①④
C.②③
D.③④
24.西周分封制下,周天子与诸侯国君将包括土地及人口的采邑赐给卿、大夫作为世禄。西周中期以后,贵族所获采邑越来越多,到春秋时期,有的诸侯国一个大夫的采邑就多达数十个。这说明
A.土地国有制度废除
B.分封体制不断强化
C.诸侯国君权力巩固
D.社会生产持续发展
25.表1 西汉末、东汉中期部分地区民户数量表 单位:户

郡名

西汉末

东汉中期

代郡(今河北、山西间)

56771

20123

太原(今属山西)

169863

30902

南阳(今河南南部及湖北、陕西部分地区)

359316

528551

汝南(今河南东南、安徽西北)

461587

404448

豫章 (今属江西)

67462

406496

零陵(今湖南、广西间)

21092

212284

据表1可知,在此期间

A.长江以南经济发展加速

B.豪强大族势力没落

C.南北经济的不平衡加剧

D.个体农耕经济衰退

26.宋代,官府强调“民生性命在农,国家根本在农,天下事莫重于农”,“毋舍本逐末”。苏辙说:“凡今农工商贾之家,未有不舍其旧而为士者也。”郑至道说,士农工商“皆百姓之本业,自生民以来未有能易之者也”。从中可以看出宋代

A.商品经济发展受到阻碍

B.重农抻商政策瓦解

C.社会群体间流动性增强

D.四民社会地位相同

27.明清时期,“善书”在民间广为流行,这类书籍多由士绅编撰,内容侧重倡导忠孝友悌、济急救危、受辱不怨,戒饬攻诘宗亲、凌逼孤寡等,以奉劝世人“诸恶莫作,众善奉行”。“善书”的流行

A.确立了理学思想的主导地位

B.强化了社会主流的价值观

C.阻碍了官方意识形态的推广

D.冲击了儒家经典的神圣性

28.1898年,某书商慨叹废八股将使自已损失惨重,后来发现“经学书犹有人买”,其损失并不如以前估计之大,而该书商对新学书籍的投资不久又面临亏损。这可以反映出该时期

A.儒学地位颊覆

B.列强侵略加剧

C.政局变化迅速

D.西学深入民心

29.1934年,毛泽东提出:“我们是革命战争的领导者、组织者,我们又是群众生活的领导者、组织者······在这里,工作方法的问题,就严重地摆在我们的面前。我们不但要提出任务,而且要解决完成任务的方法问题。当时毛泽东强调改进工作方法意在

A.发动群众参加革命战争

B.开辟中国革命的新道路

C.建立广泛革命统-战线

D.动员社会各界进行抗战

30.土改后,太行山区某农民要买一头驴,谈好价钱后,他表示要回家和妻子商量,理由是“我们村上好多人家都立下了新规矩,男的开支一斗米以上要得到女人的同意,女人开支二升米以上要得到男人的同意”。这件事可以反映出,当时解放区

A.男尊女卑观念消亡

B.家庭成员经济地位发生变化

C.按劳分配得到实施

D.传统的社会伦理秩序被颠覆

31.1957年,国家统计局《工人阶级队伍情况的调查报告》中有1950年及其后参加工作的职工社会出身情况,如表2所示。

                         表2职工社会出身情况表                   (%)

据表2可知

A.内地与沿海原有工业基础差距大

B.西部地区工商业改造不彻底

C.我国的社会主义工业化基本实现

D.沿海地区工业发展更为迅速

32.16 世纪起,英国国王将大量特许状授予从事海外贸易的商人团体,成立特许公司。与此同时,欧洲许多国家掀起创办海外贸易特许公司的热潮。至18世纪末,特许公司数量已达数百个。这反映出该时期

A.资本输出成为海外扩张的主要形式

B.资本主义世界市场形成

C.划分势力范围成为列强争霸的焦点

D.殖民扩张呈现竞争格局

33.18世纪90年代初,法国国民议会取消监禁专制授权令,否定了家长或家族可不经审讯就将孩子投进监狱的做法:国民议会还规定,由新建立的家事评议庭专司听审父母和20岁以下子女的争讼,21岁的家庭成员不分男女,不再受父权的管辖控制。上述内容体现了

A.个人意志即个人权利

B.个人与国家间的契约关系

C.男女的政治地位平等

D.家族利益凌驾于国家利益

34.青年时代的普朗克曾被告诚,物理学是一门已经完成了的科学,不会再有多大的发展。1900年, 物理学家开尔文也断言:“在已经基本建成的科学大厦中,后辈物理学家只能做-些零碎的修补工作。”由此可知在当时

A.物理学领域的问题已全部解决

B.物理学对微观世界的思考尚未开始

C.经典物理学仍然处于统治地位

D.量子力学得到物理学界的普遍认可

 

35.20世纪四五十年代,美国纽约画派领衔人物杰克逊・波洛克以将油墨滴酒和倾泼在大块画布上的创作方法而著称,画作没有任何可识别的主题。美国中央情报局竭力推崇该画派,并资助其在海外展览,以显示自由、个性的表达。这表明

A.纽约画派的创作方式受到各国民众欢迎

B.纽约画派的创作具有浓厚意识形态色彩

C.美国政府旨在扩大纽约画派的影响力

D.美国政府借助艺术领域渗透冷战思维

 

二、非选择题:共160分。第36~42题为必考题,每个试题考生都必须作答。第43、47题为选考题,考生根据要求作答。

(一)必考题:共135分。

36.阅读图文材料,完成下列要求。(22分)

上海是人口众多、经济发达、对外联系紧密的现代化大都市。截至2021年1月,上海以拥有6913家咖啡馆居全球城市首位,咖啡馆已成为人们体闲、会友和商务交流的重要场所。其中,某品牌连锁咖啡馆以839家独占鳌头,且多分布在商业繁华地段、高级写字楼和高級住宅区附近。2020年3月,该品牌母公司宣布在昆山市建设包括咖啡烘焙和智能化仓储物流在内的咖啡创新产业国,计划于2022年落成。图4示意该品牌连锁咖啡馆在上海的分布及昆山市的位置。

(1)推测支撑咖啡馆蓬勃发展的上海的产业和企业类型。(4分)

(2)据图描述该品牌咖啡馆在上海的空间分布特征。(4分)

(3)分析该品牌咖啡馆布局在商业繁华地段和高级写字楼地区的目标消费人群。(6分)

(4)说明该品牌母公司选择在昆山建设咖啡创新产业园的上海因素。(8分)

37.阅读图文材料,完成下列要求。(24分)

圩田是在低洼地筑堤围出的田地。图5所示圩田海拔 6~7米,种植庄稼;巢湖多年平均水位8.03米。据记载,在清朝嘉庆年间,三河镇濒临巢湖。

(1)推测该圩田区适宜围垦的自然条件。(6分)

(2)分析图示河流三河镇以下河段的形成。(6分)

(3)说明这些圩田易发水灾的原因。(6分)

(4)有人建议把这些圩田从种植庄稼转变为湿地发展水产业。请从下列两方面选择其一作答,分析圩田这种利用方式改变的作用。(6分)

方面①改善巢湖水质  方面②缓解巢湖沿岸地区洪水威胁

 

38.阅读材料,完成下列要求。(14分)

甲企业是我国知名民族品牌汽车制造商,2008年推出首款新能源汽车。经过多年努力,甲企业目前已拥有电动汽车核心零部件动力电池、电动机、电子控制系统等方面的自主专利,成为国内唯一一家掌握“三电”核心技术的新能源汽车企业。

甲企业最初在生产中坚持“垂直整合”模式:自行研发生产零部件,自行组装整车,自主开发汽车软件系统。甲企业由于坚持产业链自供体系,难以在细分市场保持优势,其新能源汽车销量增速远低于行业平均增速。2017年,甲企业开始打破垂直一体化传统,聚焦核心技术与整车生产业务,引入优秀供应商,采取电池对外供应、部分零部件向外采购、边缘业务剥离等策略。2018年起,甲企业逐步全面开放汽车的341个接口数据、66项控制权限,向全球开发者提供一个多维的“供应链开放平台”,与供应商共同研究硬件整机集成与软件生态的本土化解决方案。

结合材料并运用经济生活如识,分析甲企业从垂直整合模式向供应链开放模式转型的经济动因。

 

39.阅读材料,完成下列要求。(12分)

当前,世界百年未有之大变局加速演变,和平与发展仍然是时代主题,但国际环境不稳定性不确定性明显上升。

为反制有关外国实体危害中国国家利益,2020年9月,中国商务部公布《不可靠实体清单规定》,为阻断外国法律与措施“不当域外适用”对中国企业和公民的影响,2021年1月,中国商务部公布《阻断外国法律与措施不当域外用办法》。

2021年3月,十三届全国人大四次会议《全国人民代表大会常务委员会工作报告》提出,加快推进涉外领域立法,围绕反制裁、反干涉、反制长臂管辖等,充实应对挑战、防范风险的法律“工具箱”,推动形成系统完备的涉外法律法规体系。

 

结合材料并运用政治生活知识,说明中国为什么要加快推进涉外领域立法。

 

40.阅读材料,完成下列要求。(26分)

在党的七届二中全会上,毛泽东向全党提出了“两个务必”的要求:“务必使同志们继续地保持谦虛、谨慎、不骄、不躁的作风,务必使同志们继续地保持艰苦奋斗的作风,务必使同志们继续地保持艰苦奋斗的作风。”

1949年3月23日,党中央从西柏坡动身前往北平时,毛泽东说,今天是进京的日子,进京“赶考”去;我们决不当李自成,我们都希望考个好成绩。

**说:“直到今天,‘两个务必’”的教育还远未结束,继续‘赶考’的任务也远未结束。我们一代一代共产党人都要不断地接受人民的‘考试’、执政的‘考试’,向人民和历史交出满意的答卷。”

时代是出卷人,我们是答卷人,人民是阅卷人。我们党永葆“赶考”的清醒,始终强调和坚持“两个务必”,带领人民砥砺前行、接续奋斗,在一场场历史性考试中交出了优异的答卷,中华民族迎来了从站起来、富起来到强起来的伟大飞跃。

2021年是中国共产党成立一百周年。在不断“赶考”的背后,是中国共产党始终如一的“为中国人民谋幸福,为中华民族谋复兴”的初心和使命。

(1)结合材料并运用社会存在与社会意识关系原理,说明中国共产党为什么要永葆“赶考”的清醒。(12分)

(2)“两个务必”是新时代共产党人砥砺前行的精神动力,运用文化对人的影响的相关知识加以说明。(10分)

(3)人生是一个不断“赶考”的过程。就青年如何在人生考试中交出合格答卷提出两点看法。(4分)

41.阅读材料,完成下列要求。(25分)

材料一

“把这些研究成果发表出来,是为了保存人类的功业,使之不致由于年深日久而被人们遗忘。”这是希罗多德(约前484~约前420)所撰《历史》一书的开篇之语。在此之前,对于希腊人而言,神话就是他们的历史。《历史》前半部分以追问希腊与波斯之间战争的原因为起点,记载了希腊、西亚、北非等地的地理环境、民族分布、历史往事等内容,后半部分叙述希腊城邦与波斯之间战争的全过程,故该书又被称为《希波战争史》,它继承了《荷马史诗》的叙事方式,又本着“研究”的精神,常常分辨传说的真假与异同。作者赞扬雅典人,却并不肆意诋毁“异邦人”,承认东方民族具有比希腊更古老的文明。书中的不少记述是作者亲自调查得来的史实,如在埃及通过询问当时作为知识分子的僧侣,掌握了大量历史和文化知识。书中许多记载为后世的考古发掘和研究所证实。

——摘编自张广智《西方史学史》等

材料二

《史记》由西汉史学家司马迁(约前145~?)所著,记载了自黄帝到汉武帝二三千年间的历史,也叙述了汉朝周边各民族如朝鲜、匈奴和中亚、南亚各地的史实。全书以编年叙事的帝王“本纪”为纲,以人物“列传”为主体,被称为“纪传体”,成为后来历代官修史书的正宗,司马迁以儒家的历史观为宗旨,在前代深厚的历史学积淀基础上,坚持“原始察终、见盛观衰”的著史原则,常常表达自己对于历史现象的认识甚至疑惑。《史记》充分利用各类先秦文献、汉朝政事档案等,客观、如实地叙述史实,并佐以司马迁的游历见闻及民间传说,力求“通古今之变,成一家之言”。

——摘编自翟林东《中国史学史纲》

(1)根据材料并结合所学知识,概括希罗多德与司马迁作为伟大历史学家的共同之处。(8分)

(2)根据材料并结合所学知识,分别说明《历史》与《史记》产生的历史背景。(12分)

(3)根据材料并结合所学知识,简述撰写史书应该包括的要素。(5分)

 

42.阅读材料,完成下列要求。(12分)


材料

图6是中国共产党建立至中华人民共和国成立间部分重要会议示意图。从图中任选两次会议,根据材料并结合所学知识,简析两次会议间中国共产党的发展,并说明其原因。(要求:明确列出两次会议,观点正确,史实准确,论证充分,表述清晰。)

 

(二)选考题:共25分。请考生从2道地理题、3道历史题中每科任选一题作答。如果多做,则每科按所做的第一题计分。

43.[地理——选修3:旅游地理](10分)

地处云南元阳哈尼梯田世界文化遗产核心区的阿者科村,保留着完好的梯田生态系统、独特的哈尼传统民居和文化。曾经有的村民将传统民居出租给外地经营者,自己搬出村寨。为了保护哈尼传统文化,改变贫困落后状况,2018年某科研团队应当地政府邀请,经多方调研和探索提出阿者科村实行内源式村集体企业主导的开发模式:不租不售、不靠外来资本介入;通过智力援助和当地政府支持,组织村民成立旅游发展公司,自我经营和管理、公司收入归全村所有,村集体公司留成30%,村民分红占70%。村民分红按传统民居40%、梯田30%、居住20%.、户籍10%执行。

说明阿者科村实行村集体企业主导的旅游开发模式的优势。

44.[地理——选修6:环境保护](10分)

为评估青藏铁路建设和营运对环境的影响,某科研团队对青藏铁路格(尔木)拉(萨)段某11千米长的风沙活动路段两侧进行了调查,结果如表3所示,其中工程治沙地视为固定沙地。2001~2008年为铁路建设期,2008年~2015年为铁路营运期。

根据材料自拟一个结论,并用表3数据予以论证。(要求:可就建设期或营运期,也可综合得出结论;论证充分、数据准确、表述清晰。)

 

45.[历史——选修1:历史上重大改革回眸](15分)

材料

1901年1月,慈禧太后以光绪皇帝的名义发布新政上谕,宣布新政交法开始。4月,

清廷催促各省督抚大臣“迅速条议具奏,勿再延逾观望。”7月,两江总督刘坤一和湖广总督张之洞连衔会奏,连上三折,此即《江楚会奏变法三折》。第一折关于教育改革,涉及建立近代学校教育体制、变革科举制度、奖劝游学等内客;第二折关于政治改革,大致包含改善用人行政政策、清除吏治腐败、改良司法、革除弊政等方面;第三折关于军事与经济改革,主张通过向西方学习,以实现国家富强,内容包括用西法练兵,学习西方近代农业技术,改良农业,发展工业等。江楚会奏的变法方对清末的改革拟订了详细规划,得到朝廷嘉许并于以采纳。清木新政正式进入具体实施阶段。

——据《张文襄公全集》等

(1)根据材料并结合所学知识,简析“江楚会奏”变法方案与洋务运动的相同点。(8分)

(2)根据材料并结合所学知识,评价“江楚会奏”变法方案。(7分)

46.

(1)根据材料并结合所学知识,分析美国政府最终放弃在越南使用化学剂的原因。(9分)

(2)根据材料并结合所学知识,说明美国在越南战争中使用化学剂的后果。(6分)

 

47.[历史--选修4:中外历史人物评说](15分)

材料一

冯道(882~954),“少纯厚,好学能文”,后唐,后晋,后汉,后周时,曾居高官显爵,自号“长乐老”。其自诩:“在孝于家,在忠于国,口无不道之言,门无不义之货。所愿者下不欺于地,中不欺子人,上不欺于天……非人之谋,是天之祐。六合之内有幸者,百岁之后有归所。”

----据《长乐老自叙》

材料二

史臣曰:(冯)道之履行,郁有古人之风;(冯)道之宇量,深得大臣之体,然而事四朝,相六帝,可得为忠乎!

----《旧五代史》

材料三

子读冯道《长乐老叙》,见其自述以为荣,其可谓无廉耻者矣,别天下国家可从而知也。子于五代得全节之士三,死事之臣十有五……然使忠义之节,独出于武夫战乎。岂于儒者果无其人哉?

----《新五代史》

(1)分别概括材料一、二、三对冯道的评价,(9分)

(2)根据材料并结合所学知识,简析影响人物评价的因素,(6分)